丹阳铂锐能源设备公司官方网站 |  阿里巴巴旗舰店 TEL:+86-511-86288236
扫描加我微信
 
板式换热器机组(HEU)
钎焊式板式换热器(BHE)
可拆式板式换热器(PHE)
 

 

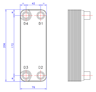
B3-014系列(series)

  钎焊板式换热器在继承了以往密封圈型板式热交换器高性能的基础上,进一步采用简洁的结构组成,大幅度消减了部件数量,实现了精致小巧、安全可靠、经济性能高的特点。 
  钎焊板式换热器以铜/镍作为焊接材料,在真空加热炉内将各部件(如传热板、框架等)一体化焊接而成,实现结构尺寸的紧凑性。因此,它的焊接结构具有高度的密封性,也能够适用于氨、氟等介质的换热处理。
  结构: 
  钎焊板式换热器是由冲压成型的凹凸有致的不锈钢板片组成。两相邻板片之间形成网状通道,供介质在其中均匀分布、螺旋前进。而且,两板片呈180。正反组合,这样两板片之间的凹凸脊线形成交错的接触点,各接触点以真空焊接而成。 

  介质流动方式: 
  介质从接口流入,在组合成的板片组间冷热交错流动,即板片的一侧是冷源另一侧是热源。这样使得冷热流体在换热器中充分进行热交换,将效率发挥到极致。

 

  Brazed plate heat exchangers in the succession of the existing sealing ring type plate heat exchanger based on high performance,further adopt the concise structure composition to slash the number of parts, to achieve a small and exquisite, safe and reliable, high-performance and economical characteristics.

  Brazed plate heat exchanger with copper / nickel as welding materials, in vacuum furnace as the integration of the components (such as the heat transfer plate, frame, etc.) welded together, realizes the compactness of the structure size. Therefore, its welding structure has high sealing, but also can apply to ammonia, fluoride and other media for heat treatment.

  structure:

  Brazed plate heat exchanger is organized by bump of stamping forming of the stainless steel plate. Mesh channel is formed between two adjacent plate, for medium in which evenly distributed, spiral forward. And two plates are 180 degree. Frontal and umseitig combination, such two plate between the concave and convex ridges form staggered contact points, each contact point resulting from vacuum welding

  Media flow mode:

  Medium from the interface flow, in combination of the plate between the plate group of hot and cold flow, that is, from the side of cold source to the other side of the heat source. This makes the cold fluid and hot fluid exchange adequately in the heat exchanger , the efficiency will be played to the extreme.

 

流道深度(mm)
Runner Depth
2.2
板片厚度(mm)
Sheet thickness
0.4
通道容积(L)
Channel capacity
0.01
水侧最大流量(m³/H)
Waterside maximum flow
6
最大组装片数
Maximum assembly sheet number
60
有效换热面积(㎡)
Effective heat exchanging area
0.014
接管类型
Adapter type
外螺纹 内螺纹 焊接光管
External thread;Inner thread;Welded light pipe  
设计温度(°C)
Design temperature
-160~+225
设计压力(Mpa)
Design pressure
3.0 4.5
重量(KG)
Weight
0.5+0.05n
 

 

 

丹阳铂锐能源设备公司   TEL:+86511-86288236 +86511-86288068
© BORUI铂锐 2016 版权所有 苏ICP备14056143