丹阳铂锐能源设备公司官方网站 |  阿里巴巴旗舰店 TEL:+86-511-86288236
扫描加我微信
 
板式换热器机组(HEU)
钎焊式板式换热器(BHE)
可拆式板式换热器(PHE)
 

 

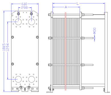
BR15系列(series)

    灵活多变的板型,严谨的造型软件,更高的效率,让你的换热器与众不同,每台可节省15%的成本。
当售后成为一种享受让“追求高品质”成为可能所以产品都经过实验室的严格测试和认证,让我们可以挑战使用寿命的极限,每台换热器能让你增值22%。
    专家型的销售工程师一对一的专业支持,一站式的购物,缩短你的采购周期,每台换热器为你节约6%。


    Flexible plate, rigorous modeling software, high efficiency , make your heat exchanger out of the ordinary, the cost per unit can save 15%.

    When innovation becomes a kind of enjoyment, so that the pursuit of high quality as possible, all products have been strictly tested and certified in the laboratory, and so that we can challenge the limit of working life, each heat exchanger allows you to add value 22%.

    Expert sales engineer one to one professional support, one-stop shopping, shorten your purchase cycle, each heat exchanger for you to save 6%.


 
接口标准
Interface standard
GB9119-2000/1.6MPa
口径
caliber
DN150 DN125 DN100
衬套
bushing

YES

NO

NO
设计压力(Mpa)
Design pressure
1.0 1.6  
测试压力(Mpa)
Test pressure
1.3 2.1  
最大流量(M³/h)
Maximum flow
250.0 180.0 120.0
流道深度(mm)
Runner Depth
B=2.5 M=4.0  
板片厚度(mm)
Sheet thickness
0.5 0.6  
角度组合
Angle combination
L=L+L H=H+H M=H+L
板片材质
Sheet material
SUS304 SUS316L SMO254 Ti C276
胶垫材质
Rubber pad material
NBR EPDM HEPDM VA GA
衬套材质
Bushing material
SUS304 SUS316L NBR EPDM HEPDM VA GA

 

 

 

丹阳铂锐能源设备公司   TEL:+86511-86288236 +86511-86288068
© BORUI铂锐 2016 版权所有 苏ICP备14056143